¾ÅÖÝ¿áÓιÙÍønet

²úƷͼƬ²úÆ·¼ò½éÒªº¦ÌØÕ÷ÐÔÄܲÎÊý»úе³ß´ç¶©¹ºÐÅÏ¢×ÊÁÏÏÂÔØ
·¢ËÍѯÅÌ
KYAC323
±ê×¼ÐÍÖÇÄÜ¿ØÖÆÆ÷
²úÆ·¼ò½é

KYAC323ϵÁвúÆ·ÊÇÒ»¿îÃæÏò×Ô¶¯»¯¡¢»úеÊÓ¾õµÈÐÐÒµÓ¦ÓõĸßÐÔÄÜÊ鼮ʽ¹¤¿Ø»ú£¬£¬£¬£¬£¬½ÓÄÉÂÁºÏ½ðÐͲĽṹ£¬£¬£¬£¬£¬°ü¹Ü²úÆ·ÓÅÒìµÄ½áʵÐÔ£¬£¬£¬£¬£¬ÂÁÐͲÄÉÏǶÈëµçÉȸ¨ÖúÉ¢ÈÈ£¬£¬£¬£¬£¬°ü¹Ü²úÆ·ÓÅÒìÉ¢ÈÈÐÔͬʱҲ×î´ó±ÜÃâ·Û³¾ÇÖÈ룬£¬£¬£¬£¬½øÒ»²½°ü¹Ü²úÆ·µÄ¿É¿¿ÐÔ¡£¡£¡£¡£¡£¡£¡£ ¡£

Òªº¦ÌØÕ÷
¡õ ´îÔØ Intel¿áî£i3/i5/i7ϵÁд¦Öóͷ£Æ÷
¡õ BIOSÄں˼°ÏµÍ³ÓÅ»¯£¬£¬£¬£¬£¬Öª×ãʵʱ¿ØÖÆÐèÇó
¡õ EtherCAT ×î´óÖ§³Ö 128´ÓÕ¾
¡õ ϵͳʹÃü²ü¶¶25usÄÚ
¡õ ÇÐºÏ IEC61131-3 ±ê×¼¡¢PLCopen ¹æ·¶
¡õ Ö§³Ö EtherCAT¡¢EtherNet/IP¡¢OPC UA¡¢ModbusTCP µÈÖ÷Á÷¹¤ÒµÐ­Òé
¡õ ¼¯³ÉÒ»Æð´®¿Ú£¬£¬£¬£¬£¬¿ª¹ØÎÞаÇл»RS232/RS485
¡õ Ë«µçÔ´¿ÚÈßÓàÉè¼Æ£¬£¬£¬£¬£¬°ü¹Ü¹©µçÎȹÌ
¡õ Ö§³Ö-20 ~ 60¡æ¿íÎÂÊÂÇéÇéÐÎ
ÐÔÄܲÎÊý
ÉèÖÃ KYAC323
Ó²¼þÉèÖÃ
CPU I3-8100/I5-6400/I7-8700
TDP ×î´ó 65W
BIOS AMI UEFI 64Mbit
ÄÚ´æ 8GB/16GB/32GB
´æ´¢ 128GB/256GB/512GB
USB 4 x USB3.0
°åÔØÄÚÖÃ1¸öUSB2.0 ¿É×°ÖÃÓ²¼þ¼ÓÃܹ·
COM 1 x COM£¨DB9¹«Í·£©¿Éͨ¹ý²¦¶¯¿ª¹ØÉèÖÃRS232»òRS485ģʽ£¬£¬£¬£¬£¬RS485Ö§³Ö×Ô¶¯Á÷¿Ø£¬£¬£¬£¬£¬RS232´øÓÐESD·À»¤£¨¿ÕÆø·Åµç£º¡À8KV£¬£¬£¬£¬£¬½Ó´¥·Åµç£º¡À6KV£©
ÒÔÌ«Íø 4 x Intel I210ǧÕ×Íø¿Ú
VGA ×î¸ßÇø·ÖÂÊ1920 x 1080
HDMI ×î¸ßÇø·ÖÂÊ3840 x 2160
À©Õ¹½Ó¿Ú 2 x È«³ß´çminiPCIe ¿¨²Û£¬£¬£¬£¬£¬´øÓÐSIM ¿¨²Û
¿´ÃŹ· 1~255 ¼¶¿É±à³ÌÉèÖÃ
Èí¼þÉèÖÃ
ʵʱÇéÐÎ Codesys RTE 3.5.18
²Ù×÷ϵͳ Windows 10
µçÔ´
ÊäÈëµçѹ DC12~24V ¡À10%, ¹ýÁ÷¡¢¹ýѹÒÔ¼°·À·´½Ó±£»£»£»£» £»£»£»¤
µçÔ´¹¦ºÄ ×î´ó¹¦ºÄ 120W
»úе²ÎÊý
½á¹¹ È«¹Ø±ÕÂÁÐͲÄÍâ¿Ç, ÄÚǶµçÉÈÖÇÄÜÉ¢ÈÈ£¬£¬£¬£¬£¬Ö§³Ö±Ú¹ÒʽװÖûòDIN-Rail µ¼¹ìʽװÖÃ
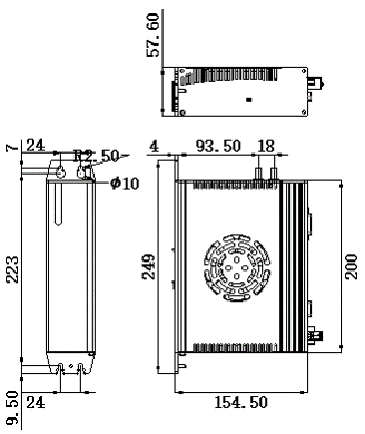
³ß´ç 57.6mm x 200mm x 154.5mm (W x H x D)
¾»ÖØ 1.9Kg
ÇéÐÎ
ÊÂÇéÎÂ¶È -20?C ~ 60?C
´æ´¢ÎÂ¶È -40?C ~ 80?C
Ïà¶Ôʪ¶È 5~95% ÎÞÄý¶
Õñ¶¯ 5~500Hz, 1.5Grms£¬£¬£¬£¬£¬IEC60068-2-64
¹¥»÷ 20G ( Ò»Á¬Ê±¼ä11ms£¬£¬£¬£¬£¬°ëÕýÏÒ²¨)£¬£¬£¬£¬£¬IEC60068-2-27
EMC CE/FCC Class A
»úе³ß´ç

¾ÅÖÝ¿áÓΡ¸Öйú¡¹¹Ù·½ÍøÕ¾

¶©¹ºÐÅÏ¢

¡ñ SM(Softmotion) ¸Ã°æ±¾ÌṩSMC_Basic¿â£¬£¬£¬£¬£¬ÇкÏPLCopenlÈÏÖ¤±ê×¼Part 1¼°Part 2²¿·Ö£¬£¬£¬£¬£¬¿ÉÒÔ¿ØÖƵ¥Öá»òÕßÁ½¸öÖᣨµç×Ó͹ÂֺͳÝÂÖ£©µÄÖ÷´ÓÔ˶¯¡£¡£¡£¡£¡£¡£¡£ ¡£

¡ñ CN(CNC+Robotic) ¸Ã°æ±¾ÔÚSMC_Basic¿â»ù´¡ÉÏÔöÌíÁËSMC_CNC¼°SMC_Robotic£¬£¬£¬£¬£¬Ö§³ÖÁËCNCÓ¦Óü°»úеÈËÓ¦Óᣡ£¡£¡£¡£¡£¡£ ¡ £¿£¿£¿£¿ £¿ £¿£¿ÉʵÏÖCNCÊý¿Ø¿ª·¢¼°»úеÈËÖá×鿪·¢¡£¡£¡£¡£¡£¡£¡£ ¡£

¡ñ TW(Target & Web Visu) ¸Ã°æ±¾°üÀ¨Á˼¯³É»¯µÄ¿ÉÊÓ»¯±à¼­Æ÷£¬£¬£¬£¬£¬¿ÉÒÔÔÚ¿ª·¢ÇéÐÎÖÐÖ±½Ó½¨ÉèרҵµÄ¿ÉÊÓ»¯½çÃæ¡£¡£¡£¡£¡£¡£¡£ ¡£ÆäÖÐTargetVisu·½·¨Ö±½ÓÏÔʾÔÚ¿ØÖÆÆ÷µÄÄÚÖûòÍâÖÃÏÔʾÆ÷ÉÏ£»£»£»£» £»£»£»WebVisu·½·¨Ö§³ÖÔÚWebä¯ÀÀÆ÷ÖÐä¯ÀÀ½çÃæ¡£¡£¡£¡£¡£¡£¡£ ¡£

SM°æ±¾ÓëCN°æ±¾¹¦Ð§²î±ð±í
SM£¨Softmotion£© CN£¨CNC+Robotic£©
µãλÔ˶¯ λÖýÏÁ¿´¥·¢ Á½ÖáÍÖÔ²²å²¹ ÈýÖáÍÖÔ²²å²¹ ·¾¶Ô¤´¦Öóͷ£¹¦Ð§ Á½Öá´®Áª(SCARA)»úеÈËÄ£×Ó
JOGÔ˶¯ λÖò¶»ñ Á½ÖáÑùÌõÇúÏß ÈýÖáÑùÌõÇúÏß ÎåÖá¼Ó¹¤Ä£×Ó ÈýÖá´®Áª(SCARA)»úеÈËÄ£×Ó
ËÙÂÊÔ˶¯ »ØÁãÔ˶¯ Á½ÖáÅ×ÎïÏßÔ˶¯ ÈýÖáÅ×ÎïÏßÔ˶¯ Á½ÖáÁúÃŹ¦Ð§ ²¢Áª(DELTA)»úеÈËÄ£×Ó
µç×Ó³ÝÂÖ ¼ä϶²¶»ñ Á½ÖáÖ±Ï߲岹 ÈýÖáÂÝÐýÏ߲岹 ÈýÖáÁúÃÅ ËÄÖáÂë¶â»úеÈËÄ£×Ó
µç×Ó͹ÂÖ   Á½ÖáÔ²»¡²å²¹ DXFתG´úÂ빦Ч TÐÍÁúÃÅ ÁùÖáÊàŦ»úеÈËÄ£×Ó
Ò»Á¬¹ì¼£Ô˶¯   ÈýÖáÖ±Ï߲岹 G´úÂë/M´úÂ빦Ч HÐÍÁúÃÅ  
ÇÐÏò×·Ëæ   ÈýÖáÔ²»¡²å²¹ ×ø±êϵת»» ¼«×ø±êϵģ×Ó  

 

Ñ¡Ðͱí
²úÆ·ÐͺŠÏêÇé
KYAC323-33MBW0SM I3-8100/8G/128G SSD/WIN10/Softmotion
KYAC323-33MBW0SMTW I3-8100/8G/128G SSD/WIN10/Softmotion/Target & Web Visu
KYAC323-53MAW0SM I5-6400/8G/128G SSD/WIN10/Softmotion
KYAC323-541AW0SMTW I5-6400/16G/256G SSD/WIN10/Softmotion/Target &Web Visu
KYAC323-73MBW0SM I7-8700/8G/128G SSD/WIN10/Softmotion
KYAC323-741BW0SM I7-8700/16G/256G SSD/WIN10/Softmotion
KYAC323-752BW0SM I7-8700//32G/512G SSD/WIN10/Softmotion
KYAC323-73MBW0SMTW I7-8700//8G/128G SSD/WIN10/Softmotion/Target &Web Visu
KYAC323-741BW0SMTW I7-8700//16G/256G SSD/WIN10/Softmotion/Target &Web Visu
KYAC323-752BW0SMTW I7-8700//32G/512G SSD/WIN10/Softmotion/Target &Web Visu

 

×ÊÁÏÏÂÔØ
¡¾ÍøÕ¾µØÍ¼¡¿¡¾sitemap¡¿